1CAP MVM Enseignement Professionnel 2024/2025
20 03 Correction Td À Colorier
20 03 2BP Mélange Air/essence
 
Fonctionnement d'un carburateur à membrane
Original link
19 01 Le fonctionnement du carburateur
Défaillances Carburation
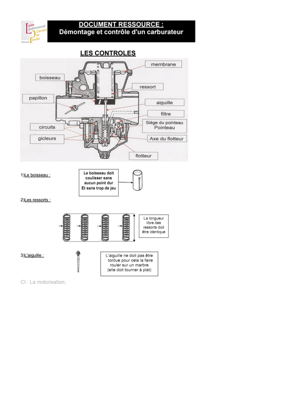
Document Ressource Controle Et Réglage Carburateur